注意:访问本站需要Cookie和JavaScript支持!请设置您的浏览器! 打开购物车 查看留言付款方式联系我们
初中电子 单片机教材一 单片机教材二
搜索上次看见的商品或文章:
商品名、介绍 文章名、内容
首页 电子入门 学单片机 免费资源 下载中心 商品列表 象棋在线 在线绘图 加盟五一 加入收藏 设为首页
本站推荐:
12. 可预置可逆4位计数器
文章长度[] 加入时间[2008/5/30] 更新时间[2025/11/27 2:40:54] 级别[0] [评论] [收藏]
 
1.  实验任务
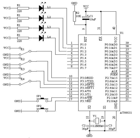
利用AT89S51单片机的P1.0-P1.3接四个发光二极管L1-L4,用来指示当前计数的数据;用P1.4-P1.7作为预置数据的输入端,接四个拨动开关K1-K4,用P3.6/WR和P3.7/RD端口接两个轻触开关,用来作加计数和减计数开关。具体的电路原理图如下图所示
2.  电路原理图
图4.12.1
3.  系统板上硬件连线
(1.       把“单片机系统”区域中的P1.0-P1.3端口用8芯排线连接到“八路发光二极管指示模块”区域中的L1-L4上;要求:P1.0对应着L1,P1.1对应着L2,P1.2对应着L3,P1.3对应着L4;
(2.       把“单片机系统”区域中的P3.0/RXD,P3.1/TXD,P3.2/INT0,P3.3/INT1用导线连接到“四路拨动开关”区域中的K1-K4上;
(3.       把“单片机系统”区域中的P3.6/WR,P3.7/RD用导线连接到“独立式键盘”区域中的SP1和SP2上;
4.  程序设计内容
(1.       两个独立式按键识别的处理过程;
(2.       预置初值读取的问题
(3.       LED输出指示
5.  程序框图
 
图4.12.2
6.  汇编源程序
COUNT              EQU 30H
                            ORG 00H
START:               MOV A,P3
                           ANL A,#0FH
                            MOV COUNT,A
                            MOV P1,A
SK2:           JB P3.6,SK1
                           LCALL DELY10MS
                            JB P3.6,SK1
                            INC COUNT
                           MOV A,COUNT
                            CJNE A,#16,NEXT
                           MOV A,P3
                            ANL A,#0FH
                            MOV COUNT,A
NEXT:                MOV P1,A
WAIT:                 JNB P3.6,WAIT
                           LJMP SK2
SK1:          JB P3.7,SK2
                            LCALL DELY10MS
                            JB P3.7,SK2
                           DEC COUNT
                            MOV A,COUNT
                            CJNE A,#0FFH,NEX
                           MOV A,P3
                            ANL A,#0FH
                            MOV COUNT,A
NEX:                   MOV P1,A
WAIT2:               JNB P3.7,WAIT2
                           LJMP SK2
DELY10MS:       MOV R6,#20
                            MOV R7,#248
D1:                      DJNZ R7,$
                            DJNZ R6,D1
                           RET
                            END
7.  C语言源程序
#include <AT89X51.H>
unsigned char curcount;
void delay10ms(void)
{
  unsigned char i,j;
  for(i=20;i>0;i--)
  for(j=248;j>0;j--);
}
void main(void)
{
  curcount=P3 & 0x0f;
  P1=~curcount;
  while(1)
    {
      if(P3_6==0)
        {
          delay10ms();
          if(P3_6==0)
            {
              if(curcount>=15)
                {
                  curcount=15;
                }
                else
                  {
                    curcount++;
                  }
               P1=~curcount;
               while(P3_6==0);
            }
        }
      if(P3_7==0)
        {
          delay10ms();
          if(P3_7==0)
            {
              if(curcount<=0)
                {
                  curcount=0;
                }
                else
                  {
                    curcount--;
                  }
               P1=~curcount;
               while(P3_7==0);
            }
        }
    }
}
1、 本站不保证以上观点正确,就算是本站原创作品,本站也不保证内容正确。
2、如果您拥有本文版权,并且不想在本站转载,请书面通知本站立即删除并且向您公开道歉! 以上可能是本站收集或者转载的文章,本站可能没有文章中的元件或产品,如果您需要类似的商品请 点这里查看商品列表!
本站协议 | 版权信息 |  关于我们 |  本站地图 |  营业执照 |  发票说明 |  付款方式 |  联系方式
深圳市宝安区西乡五壹电子商行——粤ICP备16073394号-1;地址:深圳西乡河西四坊183号;邮编:518102
E-mail:51dz$163.com($改为@);Tel:(0755)27947428
工作时间:9:30-12:00和13:30-17:30和18:30-20:30,无人接听时可以再打手机13537585389