|
射极耦合双稳态电路 |
| 一、工作原理 |
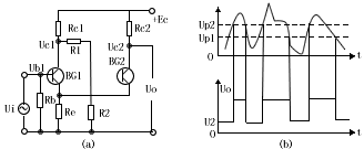
图一为射极耦合电路。它也是由两级反相器组成的正反馈电路,第一级到第二级采用集基耦合,第二级到第一级是通过射极电阻Re耦合。通常用射极耦合双稳态电路做整形电路,脉冲幅度甄别电路,示波器用它做闸门信号源等,它依靠输入幅度进行转态。 工作原理:设输入ui如图一(b)示,当ui=0时,电路处于BG1截止,BG2导通的稳定状态。这时输出电压为:uo=u2=Ec-(ue2/Re)Rc2 当ui=up2=uc2+0.5伏(硅管由截止进入放大的阀门电压),称up2为动作电压,则电路在ui作用下,产生下述正反馈过程: |
| 这种雪崩式反应,瞬间使BG1导通,BG2截止。因ic1>ic2,所以当ui回到Up2值时,电路仍不转变,只有当ui=up1(释放电平)时,由于BG1退出饱和,又产生下述正反馈过程: |
瞬间使BG1截止、BG2导通,以后就按上述过程周而复始进行,所以把幅度不规则的输入波形整形为等幅的矩形波。两次翻转电平不相等的现象,称为回差现象,回差量≈up2-up1。回差量是否需要量多少?应由具全情况而定。 回差的影响与回差的调?lt;BR>如果输入信号有干扰,则用回差量排除干扰。图2(a)(b)中给出回差合适与不合适所得到的波形uo″和uo′。由图可见,当回差合适时,输出uo″为方波电压;反之,当回差不合适时,输出uo′ 或受干扰影响[如图2(a),或者uo′只变化一次就固定在某一电平上(如图2(b)也就是说电平不起到整形的作用 调整回差量的方法如下: (1)增大Rc1,可使回差量增加。或调节Rc1/(R1+R2)之比值,比值越小,回差量越小。 (2)如图2(C)电路加入RE1可使UP1增加,从而使回差减小;或如图2(d)电路加入RE2,可使Ic2减小从而使Up2减小,缩小回差。但这种方法会削弱正反馈作用而降低翻转速度,如在RE1或RE2并联一只小电容,就可避免这种影响。 |
 图1射极耦合双稳态电路 |
 图2、回差的影响 |
| 二、射极耦合双稳态电路的设计 |
| 射极耦合双稳态电路的设计见表一 |
| 表一 |
射极耦合双稳态电路的设计 |
| 要求 |
(1)输出幅度Um>6V (2)工作频率f=100kHz (3)触发器用作整形电路,负载射极跟随器 |
| 步骤 |
计算公式 |
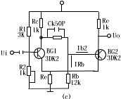
计算实例(图3) |
| 选择晶体管 |
从要求的工作频率或输出脉冲前沿特性考虑 |
因要求输出脉冲前沿特性好,故选用3DK2,βmin=30 |
| 确定RC值 |
为提高稳定性,晶体管应工作于饱和状态,则Ic取 Ic=[(1/3)-(1/2)]Icm Rc=(Ec-Uomin)/Ic |
∵用于整形电路,主要考虑工作稳定性,故选 Ic=1/3Icm=1/3×30=10mA Ec选用系列稳定电源值为12V,设输出最低电平Uomin=3V ∴Rc=(12-3)/(10×10 )=900Ω |
| 计算RB,RK |
为使BG2可靠地饱和,RB应选得较大,通常取IRB=(0.2-1)I
但是为了减小回差,BG2导通时,应工作于线性放大区,应取IRB=(5-10)Ib2 Ib2min=Ic2/βmin,取2Ib2min为实际基极电流,根据公式: RB=(UE2+Ubes)/IRB及Rk=[(EC-Ube)/(IRB+Ib2)]-RC
|
主要考虑工作稳定性,令BG2工作于饱和状态,故选IRB=0.5Ib2 Ib2min=10/30=0.33mA,Ib2=2×0.33=0.66mA IR=0.5×0.66=0.33mA RB=(UE2+Ubes)/IRb=(2.7+0.7)/0.33=10.3k 现选RB=12k ∴Rk=[(12-3.4)/(0.33+0.66)]-1=7.7k 现选Rk=7.5K |
| 选择R1、R2 |
为了能连续调节触发电平大小,BG1的基极应接入外偏电压,为使BG1工作于饱和状态,流过R1、R2电流要小些 |
现选R1=3K,R2=1K,C1=1μF,(R1、R2的具体设计算可参看晶体管分压器的偏置电路)计算结果标在图3电路上 | |

图3、射极耦合双稳态的设计电路